
Miniature Bearings Australia
BP0191-0254-0445-BSTH - Datasheet
MBA
Category Information
Bushes - Unflanged - Bronze - SinteredSintered Bronze Unflanged Bushes. Oil impregnated sintered bronze bushes.
- An expanded range may be available on special order. Please enquire.
- Precision items show an allowable Load Speed Rating in Newtons times RPM.
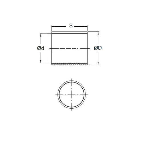
Product Data
- Nominal Inside Diameter (d)
:
19.050
mm
+ 0.025 / + 0.051
(Equiv. 0.75 in.) - Nominal Outside Diameter (D)
25.400
mm
+ 0.076 / + 0.102
(Equiv. 1 in.) - Length (s)
44.450
mm
+/- 0.190
(Equiv. 1.75 in.) - Material Bronze SAE 841 Sintered
Product Compliance and Data
Additional Resources
- DU Bush Material Information
- General Bushes Catalogue
- Sintered Bronze Products Catalogue
- Solid Bronze Bushes catalogue
Cross References
- 6391K448
- Bunting EP121628
- Daemar P-77-14
- P7714
- BNT183
- BNT-183
- BP019102540445BS
- BP019102540445BSTH2
- A7B4-SP243214
- A7B4SP243214



