
Miniature Bearings Australia
BF0191-0254-0254-PRJ - Datasheet
MBA
Category Information
Bushes - Flanged - Plastic - Rulon JRulon J Plastic Flanged Bushes. Max Load: 5.2 MPa (750 psi). Gold colour. Max surface speed: 2m/s. Max PV: 0.26 (Mpa x m/s)
- An expanded range may be available on special order. Please enquire.
- Non Metallic Bushes. Excellent insulator. Nor suitable for steam or wet conditions. Not FDA compliant. Suitable for dry conditions or vacuum.
- 288 oC (550 Deg F) Maximum Working Temperature.
- Patented all polymeric PTFE compound which operates well against soft mating surfaces.
- Lowest co-efficient of friction in the Rulon(R) product range.
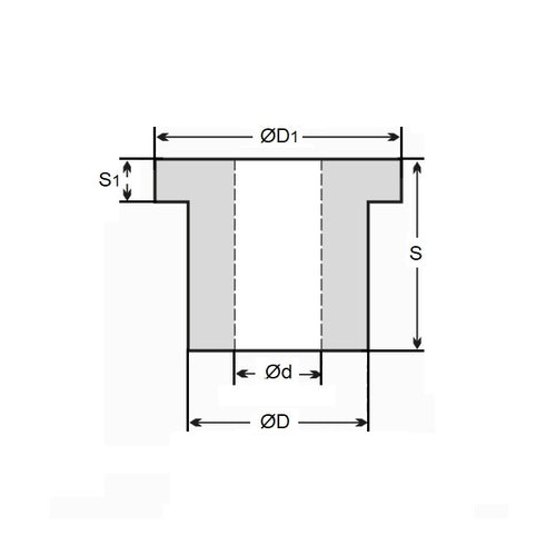
Product Data
- Nominal Inside Diameter (d)
:
19.050
mm
+ 0.20 / + 0.25
(Equiv. 0.75 in.) - Nominal Outside Diameter (D)
25.400
mm
+ 0.09 / + 0.14
(Equiv. 1 in.) - Length (s)
25.400
mm
+ 0.00 / - 0.25
(Equiv. 1 in.) - Flange OD (D1) 31.75 mm
- Flange Thickness (s1) 3.18 mm
- Rec. Housing Bore 25.400 / 25.375 mm
- Rec. Shaft Size 19.050 / 19.025
- Material Rulon J
Product Compliance and Data
Additional Resources
- DU Bush Material Information
- General Bushes Catalogue
- Sintered Bronze Products Catalogue
- Solid Bronze Bushes catalogue
Cross References
- 6377K21
- Rulon DRJF-1216-8-J
- Small Parts FBP-12-16
- DRJF12168J
- FBP1216


