
Miniature Bearings Australia
BP0191-0238-0476-BSHH - Datasheet
MBA
Category Information
Bushes - Unflanged - Bronze - SinteredSintered Bronze Unflanged Bushes. Oil impregnated sintered bronze bushes.
- An expanded range may be available on special order. Please enquire.
- Precision items show an allowable Load Speed Rating in Newtons times RPM.
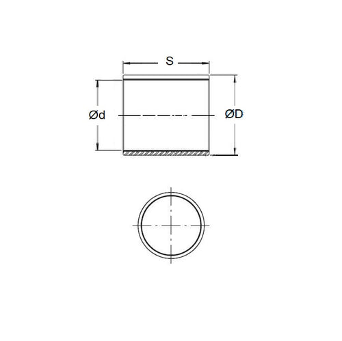
Product Data
- Nominal Inside Diameter (d)
:
19.050
mm
+ 0.051 / + 0.076
(Equiv. 0.75 in.) - Nominal Outside Diameter (D)
23.813
mm
+ 0.064 / + 0.089
(Equiv. 0.938 in.) - Length (s)
47.625
mm
+/- 0.190
(Equiv. 1.875 in.) - Material Bronze SAE 841 Sintered
Product Compliance and Data
Additional Resources
- DU Bush Material Information
- General Bushes Catalogue
- Sintered Bronze Products Catalogue
- Solid Bronze Bushes catalogue
Cross References
- Symmco SS-2430-30
- BP019102380476BS
- BP019102380476BSH
- A7B4SP243015
- A7B4-SP243015
- SS243030


