
Miniature Bearings Australia
BF0191-0206-0051-PC2 - Datasheet
MBA
Category Information
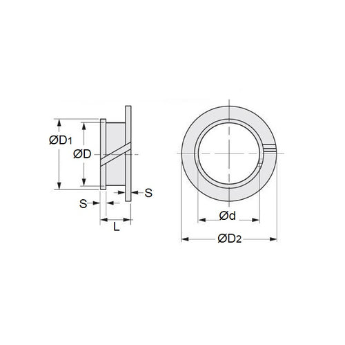
Bushes - Clip - Double FlangedDouble Flanged Clip Bushes. For use with sheet metal. Used as a light duty split bearing.
- Low clearance. Maintenance free. Economical. High Precision. High wear resistance.
- Light weight
- M250 Polymer minus 40 Deg C to 80 Deg C (minus 40 Deg F to 176 Deg F)
Product Data
- Nominal Inside Diameter (d)
:
19.050
mm
(Equiv. 0.75 in.) - Nominal Outside Diameter (D)
20.638
mm
(Equiv. 0.813 in.) - Overall Length
5.080
mm
(Equiv. 0.2 in.) - Large Flange Dia 25.400 mm
- Flange Width (S) 0.8 mm
- Small Flange Dia 21.431 mm
- Min Housing Bore 20.307 mm
- Max Housing Bore 20.638 mm
- Min Shaft Size 19.025 mm
- Max Shaft Size 19.050 mm
- Sheet Metal Thickness 1.83 to 3.43
- Material Plastic
Product Compliance and Data
Additional Resources
- DU Bush Material Information
- General Bushes Catalogue
- Sintered Bronze Products Catalogue
- Solid Bronze Bushes catalogue
Cross References
- 6126K49
- S99GMC-758420
- S99GMC758420



