
Miniature Bearings Australia
GHK1905-1905-152 - Datasheet
ExaktKey
Category Information
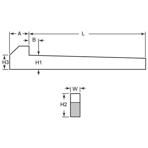
Keys - Gib Head - SteelSteel Gib Head Keys. Tapered 3.000 mm per 300 mm (1:100)
- An expanded range may be available on special order. Please enquire.
Product Data
- Nominal Key Height (H1)
:
19.050
mm
(Equiv. 0.75 in.) - Width (W)
19.050
mm
(Equiv. 0.75 in.) - Length (L)
152.4
mm
(Equiv. 6 in.) - Approx (B) 12.7
- Material Cold Finished Steel
Product Compliance and Data
Additional Resources
Cross References
- 68471A364
- Smalley GHK1905-1905-152
- NoCor GIB-0750-6000
- MAK-A-KEY JMEDG6X34
- GHK19051905152
- GIB07506000


