
Miniature Bearings Australia
GHK1905-1905-102 - Datasheet
ExaktKey
Category Information
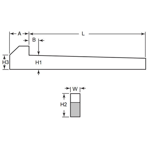
Keys - Gib Head - SteelSteel Gib Head Keys. Tapered 3.000 mm per 300 mm (1:100)
- An expanded range may be available on special order. Please enquire.
 
Product Data
- Nominal Key Height (H1) 
:
19.050
mm
(Equiv. 0.75 in.) - Width (W) 
19.050
mm
(Equiv. 0.75 in.) - Length (L) 
101.6
mm
(Equiv. 4 in.) - Approx (B) 12.7
 - Material Cold Finished Steel
 
Product Compliance and Data
Additional Resources
Cross References
- 98471A360
 - NoCor GIB-0750-4000
 - GIB07504000
 


