
Miniature Bearings Australia
TLM-1952RS - Datasheet
MBA
Category Information
Linear - Rail Supports - With Shaft - StandardStandard With Shaft Rail Supports Linear. Includes linear shafting.
- Includes shaft to h6 tolerances.
- Support is made from aluminium
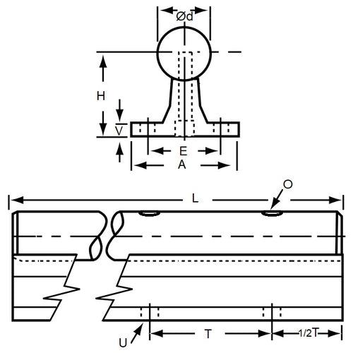
Product Data
- Suitable Shaft Size (d)
:
19.050
mm
(Equiv. 0.75 in.) - Height to Shaft Centre (H)
38.1
mm
(Equiv. 1.5 in.) - Length (+0/-1.59mm)
609.6
mm
(Equiv. 24 in.) - Foot Height (V) 6.350 mm
- Base Width (A) 44.45 mm
- Support Angle (a) 20 °
- Hole Spacing (T) 152.4 mm
- Base Mtg. Hole (U) 5.588 mm
- Shaft Mtg. Hole (O) 5.588 mm
- Bolt Hole Centres (E) 31.75 mm
Product Compliance and Data
Additional Resources
Cross References
- 59585K84


