
Miniature Bearings Australia
IP-257RS - Datasheet
MBA
Category Information
Housing and Bearing Assembly - Tapped Base - Thermoplastic and SteelThermoplastic and Steel Tapped Base Housing and Bearing Assembly. Thermoplastic housed units offer a more favourable economic choice. Hard chrome inserts offer an intermediate level of corrosion resistance.
- Bearing housing assemblies combine matching parts already assembled. Bearings in this range refer to either ball bearings or plain bearings. Refer to the listings for each type.
- Operating temperature minus 20 oC to +95 deg C
- Thermoplastic hosuings are offwhite and are made from glass reinforced PBT resin. Favourable chemical resistance. Very resistant to moisture absorption.
- Excellent mechanical, thermal and electrical properties.
- All sleeves, bushings and grease fittings are 300 grade stainless steel.
Product Data
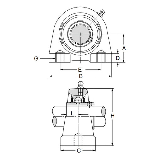
- Bore
:
19.050
mm
(Equiv. 0.75 in.) - Centre Height (A)
33.325
mm
(Equiv. 1.312 in.) - Width (B)
73.025
mm
(Equiv. 2.875 in.) - Depth (C) 34.925 mm
- Bolt Depth (D) 12.700 mm
- Bolt Distances (E) 50.800 mm
- Thread (G) 3/8-16 UNC (9.53mm)
- K 65.881 mm
- L 18.301 mm
Product Compliance and Data
Additional Resources


