
Miniature Bearings Australia
BFM-750-P - Datasheet
MBA
Category Information
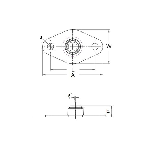
Housing and Bearing Assembly - Flanged 2 Bolt - Aligning - PTFE BronzePTFE Bronze Aligning Flanged 2 Bolt Housing and Bearing Assembly. Low profile self aligning flange mounted PTFE bronze bearings
- Bearing housing assemblies combine matching parts already assembled. Bearings in this range refer to either ball bearings or plain bearings. Refer to the listings for each type.
- Flanged mounting allows for a shaft to run through a bulkhead to which the housing is mounted, or to have a shaft mounted perpendicular to a metal frame.
- +/- 5% Static Alignment
Product Data
Deleted Item. Available while stocks last.
Please contact us first if you wish to use this item in a new design so we can check whether production can be resumed.
- Nominal Shaft Size
:
19.050
mm
(Equiv. 0.75 in.) - Width (W)
59.69
mm
(Equiv. 2.35 in.) - Overall Length (A)
32.54
mm
(Equiv. 1.281 in.) - Overall Height (E) 46.99 mm
- Min to Max Shaft Dia. 19.000 to 19.027 mm
- Max. Radial Dynamic Load 30248 N
- Bolt Hole Centres (L) 45.21 mm
- Max Speed 2010
- Material PTFE Impregnated Bronze
Product Compliance and Data
Additional Resources
Cross References
- 2820T38


