
Miniature Bearings Australia
PBC-112RS - Datasheet
MBA
Category Information
Linear - Housings Pillow Block Frelon - Precision - OpenOpen Precision Housings Pillow Block Frelon Linear. Single and double length
- Bearing is Frelon Gold -tm- encased in a flanged housing made from 6061-T6 aluminium. Double length has two bearings mounted internally.
- For rotating and linear motion.
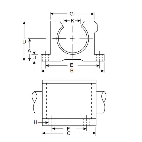
Product Data
- Bore Diameter
:
19.050
mm
+ 0.10 / + 0.05
(Equiv. 0.75 in.) - Centre Bore Height (A)
23.800
mm
(Equiv. 0.937 in.) - Base Width (B)
69.850
mm
(Equiv. 2.75 in.) - Overall Length (C) 114.300 mm
- Height (D) 39.700 mm
- Centre Bolt Holes Width (E) 60.325 mm
- Centre Bolt Holes Length (F) 88.900 mm
- Housing Width (G) 47.625 mm
- Bolt Hole Size 4.750 mm
- Flange Height (J) 7.950 mm
- Centre Bore Height (A) 11.125 mm
- Max Load Rating 1728.19 Kg
Product Compliance and Data
Additional Resources
Cross References
- Pacific PWN12


