
Miniature Bearings Australia
LVL-10RS - Datasheet
MBA
Category Information
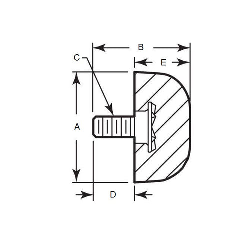
Bumpers - DomedDomed Bumpers. Built in steel screw for easy instrallation. Made with abrasion resistant SBR rubber. Resistant to abrasion and oxidation. Excellent cushioning and vibration control.
- Non staining, non marring polyurethane. Also see Mounts - Buffers
- Sold by the pad - number of bumpers per pad shown in the listings.
- Peel off and apply.
- Clear.
- 60-70 Shore A hardness.
Product Data
- Diameter (A) 
:
19.050
mm
 (Equiv. 0.75 in.)
- Overall Height (B) 
20.625
mm
 (Equiv. 0.812 in.)
- Thread 8-32 UNC (4.17mm)
- Thread Length (D) 9.525 mm
- Bumper Height (E) 11.100 mm
- Material Elastomer
Product Compliance and Data
Additional Resources
 
 
 


