
Miniature Bearings Australia
LCHP-0191-052-TSS - Datasheet
MBA
Category Information
Linear - Thomson Super Smart Housings - Pillow Block ClosedPillow Block Closed Thomson Super Smart Housings Linear. Includes Bearings.
- Universally self-aligning bearing offers twice the load capacity or 8 times the travel life of our industry standard Super Ball Bushing® bearing. Standard single or twin pillow block.
Product Data
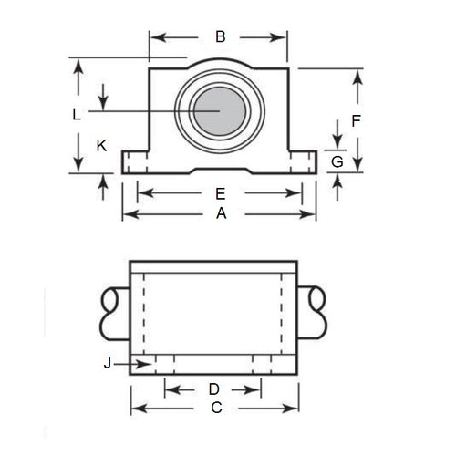
- Nominal Diameter
:
19.05
mm
(Equiv. 0.75 in.) - Widths (A x A2)
69.850 x 47.752
mm
(Equiv. 2.75 in.) - Length (B)
52.32
mm
(Equiv. 2.06 in.) - Bolt Distances (E x E1) 31.750 x 60.325 mm
- Height (H x H1) 23.800 x 44.450 mm
- Flange Height (F1) 7.87 mm
- Lube Hole Distance (G1 x G) 23.876 x 22.606 mm
- Bolt Dia. 4.83 mm
- Weight 0.28 Kg
- Dynamic Load Capacity 504 kgf
Product Compliance and Data
Additional Resources
Cross References
- Reid Tool® TLM-960
- QBC® TSS6UPB-12
- TLM960
- TSS6UPB12


