
Miniature Bearings Australia
0R-0191-0912-CKW - Datasheet
ExaktKey
Category Information
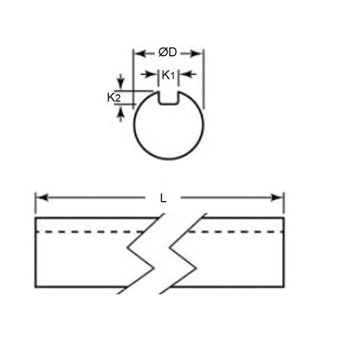
Shafting - Keyed Carbon SteelKeyed Carbon Steel Shafting. Keyways are cut full length of each bar. Low carbon steel C1018. Good case hardening properties.
- Diameter Tolerance +0.00/-0.051
- Keyway Depth Tolerance +0.41/-0.00
- Keyway Width Tolerance +0.05/-0.00
- Unhardened carbon steel
- Special order may be available for stainless steel, other diameters, other lengths. Please ask.
Product Data
- Diameter
:
19.050
mm
+ 0.000 / - 0.051
(Equiv. 0.75 in.) - Length
912
mm
(Equiv. 35.906 in.) - Keyway
4.763 x 2.381
mm
(Equiv. 0.188 in.) - Material Steel C1018 Cold drawn
Product Compliance and Data
Additional Resources
Cross References
- 1497K62
- NoCor KF-0750-36
- GLH-3015
- GLH3015



