
Miniature Bearings Australia
LCHF-0191-100-TSS - Datasheet
MBA
Category Information
Linear - Thomson Super Housings - Smart FlangedSmart Flanged Thomson Super Housings Linear. Includes Bearings.
- Provides 3 times the load capacity or 27 times the travel life of conventional linear bearings. Installed into a housing.
- Increased load capacity, self-aligning, lightweight and adjustable with a low coefficient of friction.
- Quick and easy replacement for high friction plain bearings. Wear-resistant, engineered-polymer retainers and outer sleeves reduce inertia and noise in critical, high speed applications.
Product Data
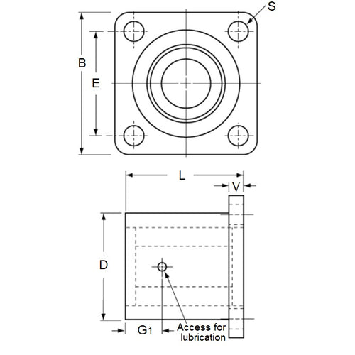
- Nominal Diameter
:
19.05
mm
(Equiv. 0.75 in.) - Flange Length and Width (B)
60.45
mm
(Equiv. 2.38 in.) - Bolt Distance and Dia. (S x E)
1/4 -20 x 44.45
mm
(Equiv. 0.039 in.) - Length (L) 100.33 mm
- Width (D) 44.45 mm
- Flange Height (V) 22.86 mm
- Lube Hole Distance (G1) 50.29 mm
- Type Twin
- Weight 0.48 Kg
- Dynamic Load Capacity 1009 kgf
Product Compliance and Data
Additional Resources
Cross References
- QBC TSS6UTFB-12
- TLM-1240
- TLM1240
- TSS6UTFB12


