
Miniature Bearings Australia
GE-01800-04200-ST - Datasheet
MBA
Category Information
Bushings - Spherical - Steel - No Oil HoleNo Oil Hole Steel Spherical Bushings. Steel spherical plain bearings. Also known as ball bushings.
- Compensates for axial loads and misalignment.
Product Data
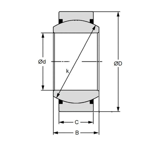
- Bore (d1)
:
18.000
mm
(Equiv. 0.709 in.) - OD (d2)
42.000
mm
(Equiv. 1.654 in.) - Width (B)
23.000
mm
(Equiv. 0.906 in.) - Outer Width (C) 16.50 mm
- Dynamic Load Capacity 2620 kgf
- Static Load Capacity 6290 kgf
- Features No Wiper Seals / No Oil Hole
- Material Steel
Product Compliance and Data
Additional Resources
Cross References
- IKO PB18
- Nachi PB-18



