
Miniature Bearings Australia
BTU0018-011-TS-BA - Datasheet
MBA
Category Information
Ball Transfer Units - Screw Stem - Brass and AluminiumBrass and Aluminium Screw Stem Ball Transfer Units. This is the main category in this series
- Single ball bearing units for conveyor systems
- Applications include measuring equipment and light weight coil handlers. Guides for small linear motion (eg. photocopier slides). Transfer of material in clean rooms.
- Max Load is applicable when used as a transfer, not as a castor
Product Data
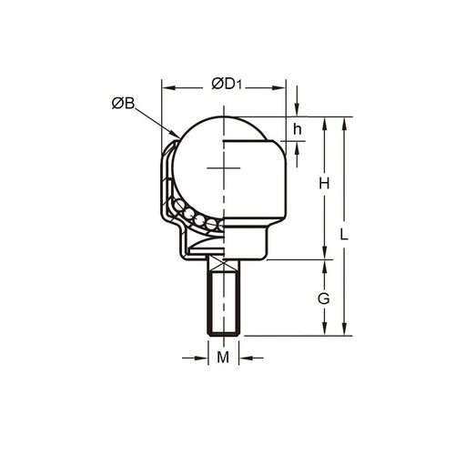
- Max Load : 18 kg
- Height from Base (B)
10.5
mm
(Equiv. 0.413 in.) - Body Diameter (D)
13
mm
(Equiv. 0.512 in.) - Overall Height (L) 16.5 mm
- Ball Diameter 6.4 mm
- Body Height (Bh) 10.5 mm
- Thread M3 (3x0.5mm)
- Stud Length (Sl) 6.0 mm
- 2 Type
- Material Stainless Steel AISI 440C and Aluminium
Product Compliance and Data
Additional Resources
Cross References
- SNM IS-06
- ISB IS-06SNM
- IS06
- IS06SNM


