
Miniature Bearings Australia
SUG-526RS - Datasheet
MBA
Category Information
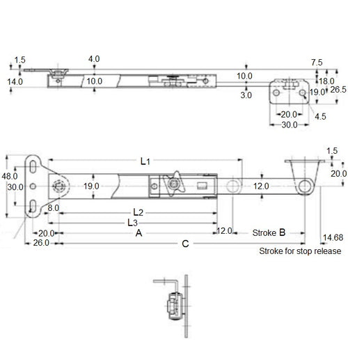
Lid Stay - Stainless SteelStainless Steel Lid Stay. 15kg load capacity. Holds lid in fully opened position. Lift up to release.
Product Data
- Length 1 (L1)
:
184.94
mm
(Equiv. 7.281 in.) - Length 2 (L2)
157.99
mm
(Equiv. 6.22 in.) - Length 3 (L3)
165.99
mm
(Equiv. 6.535 in.) - A 169.86 mm
- Stroke (B) 100.00 mm
- C 269.88 mm
- Door Height 12.59 to 19.69 mm
Product Compliance and Data
Additional Resources


