
Miniature Bearings Australia
CC-186-206-C - Datasheet
MBA
Category Information
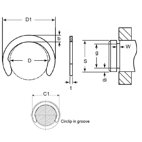
Retaining Rings - CrescentCrescent Retaining Rings. Variation of an E-Clip with an open face. Also known as a C-Clip.
- Narrow section height provides good clearance capabilities.
- Absence of teeth and deep set mean less thrust load ratings than e-clips.
- For best results install using the recommended applicator tool.
Product Data
- Groove Diameter (G)
:
18.59
mm
(Equiv. 0.732 in.) - Shaft Diameter (S)
20.63
mm
(Equiv. 0.812 in.) - Thickness (t)
1.07
mm
(Equiv. 0.042 in.) - Clip OD in groove (C1) 23.88 mm
- Clip OD Loose (D1) 23.24 mm
- Groove Width (W) 1.17
- Material Carbon Spring Steel Self Finish
Product Compliance and Data
Additional Resources
Cross References
- Military 16632-081
- Military 16632-081/B
- Military 16632-081-B
- Waldes 5103-081
- Waldes 5103-081/B
- Waldes 5103-081-B
- Ellison 9103-081
- Ellison 9103-081/B
- Ellison 9103-081-B
- NoCor C-081
- Rotor Clip C-081
- NoCor C-081/B
- Rotor Clip C-081/B
- NoCor C-081-B
- Rotor Clip C-081-B
- N1800-081/B
- N1800-0081APP
- N18000081APP
- N1800081B
- N1800081/B
- N1800-081-B
- 16632081/B
- 16632081B
- 9103081
- 9103081/B
- 9103081B
- 5103081B
- 5103081/B
- C081/B
- C081B


