
Miniature Bearings Australia
NR-0170-060-065-W-ZZ - Datasheet
MBA
Category Information
Rollers - Idler with Bearing - Nylon CoveredNylon Covered Idler with Bearing Rollers. Nylon tyred rollers for heavy duty applications
- An expanded range may be available on special order. Please enquire.
- Nylon tyre (tire) covering a precision deep groove radial ball bearings
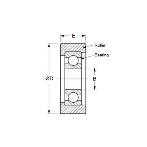
Product Data
- Outside Diameter (A)
:
17.00
mm
+/- 1.0
(Equiv. 0.669 in.) - Bore (d)
6.00
mm
(Equiv. 0.236 in.) - Roller Width (B)
6.50
mm
(Equiv. 0.256 in.) - Bearing Width (W) 5.00 mm
- Nylon Colour White
- Material Nylon Covered Chrome Steel
Product Compliance and Data
Additional Resources


