
Miniature Bearings Australia
NR-0170-050-060-W-ZZ - Datasheet
MBA
Category Information
Rollers - Idler with Bearing - Nylon CoveredNylon Covered Idler with Bearing Rollers. Nylon tyred rollers for heavy duty applications
- An expanded range may be available on special order. Please enquire.
- Nylon tyre (tire) covering a precision deep groove radial ball bearings
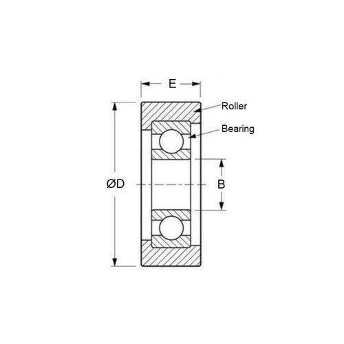
Product Data
- Outside Diameter (A) 
:
17.00
mm
+/- 1.0
 (Equiv. 0.669 in.)
- Bore (d) 
5.00
mm
 (Equiv. 0.197 in.)
- Roller Width (B) 
6.00
mm
 (Equiv. 0.236 in.)
- Bearing Width (W) 4.00 mm
- Nylon Colour White
- Material Nylon Covered Chrome Steel
Product Compliance and Data
Additional Resources
 
 
 


