
Miniature Bearings Australia
GE-01700-03000-ST-OH-W - Datasheet
MBA
Category Information
Bushings - Spherical - Steel - With Oil Hole and Wiper SealWith Oil Hole and Wiper Seal Steel Spherical Bushings. Steel spherical plain bearings. Also known as ball bushings.
- Compensates for axial loads and misalignment.
Product Data
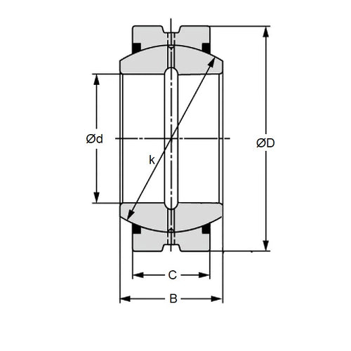
- Bore (d1)
:
17.000
mm
(Equiv. 0.669 in.) - OD (d2)
30.000
mm
(Equiv. 1.181 in.) - Width (B)
14.000
mm
(Equiv. 0.551 in.) - Outer Width (C) 10.00 mm
- Dynamic Load Capacity 2500 kgf
- Static Load Capacity 15000 kgf
- Features With Wiper Seals / With Oil Hole
- Material Steel
Product Compliance and Data
Additional Resources
Cross References
- Nachi GE-17ES-2RS
- IKO GE17ES-2RS
- Nachi GE-17ES-RS
- IKO GE17ES-RS
- GE17ESRS
- GE17ES2RS



