
Miniature Bearings Australia
RRT-700 - Datasheet
MBA
Category Information
Retaining Rings - Internal - Spiral Rings - Medium-Heavy Duty - Carbon SteelCarbon Steel Medium-Heavy Duty Spiral Rings Internal Retaining Rings. Includes Series AMI / WHT / Spirolox RRT - Spring Steel
- An expanded range may be available on special order. Please enquire.
- Originally designed to fit NAS50-51 grooves, this series is a popular OEM specification.
- This two/three turn design is easier to install than the heavy duty RRN option.
- Equivalent to Associated Spring: AMI, Smalley: WHT, Spirolox and Ramsey: RRT
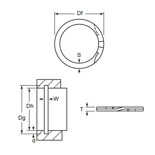
Product Data
- Housing Bore (B)
:
177.80
mm
(Equiv. 7 in.) - Clip Thickness (T)
4.19
mm
+/- 0.13
(Equiv. 0.165 in.) - Groove Dia. (Dg)
185.80
mm
(Equiv. 7.315 in.) - Approx. Loose Circlip OD (Dr) 188.82 mm + 1.40 / - 0.00
- Radial Wall (S) Approx. 7.93 mm +/- 0.16
- Groove Width (W) 4.52 mm +/- 0.20
- Approx. Loose Clip ID 172.96 +/- 0.10
- Groove Depth (d) 4.01
- Material Carbon Spring Steel
Product Compliance and Data
Additional Resources
Cross References
- Associated Spring AMI-700
- Smalley WHT-700
- WHT700
- AMI700


