
Miniature Bearings Australia
CC-179-200-C - Datasheet
MBA
Category Information
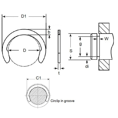
Retaining Rings - CrescentCrescent Retaining Rings. Variation of an E-Clip with an open face. Also known as a C-Clip.
- Narrow section height provides good clearance capabilities.
- Absence of teeth and deep set mean less thrust load ratings than e-clips.
- For best results install using the recommended applicator tool.
Product Data
- Groove Diameter (G)
:
17.89 - 18.10
mm
(Equiv. 0.704 in.) - Shaft Diameter (S)
20.00
mm
(Equiv. 0.787 in.) - Thickness (t)
1.14
mm
(Equiv. 0.045 in.) - Clip OD in groove (C1) 23.200 mm
- Clip OD Loose (D1) 22.650 mm
- Groove Width (W) 1.30
- Tool RRA-180
- Material Carbon Spring Steel Self Finish
Product Compliance and Data
Additional Resources
Cross References
- NoCor DC-020
- DC020



