
Miniature Bearings Australia
CC-172-191-SS - Datasheet
MBA
Category Information
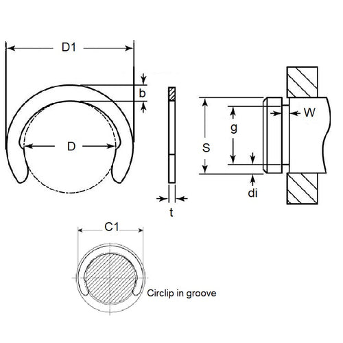
Retaining Rings - CrescentCrescent Retaining Rings. Variation of an E-Clip with an open face. Also known as a C-Clip.
- Narrow section height provides good clearance capabilities.
- Absence of teeth and deep set mean less thrust load ratings than e-clips.
- For best results install using the recommended applicator tool.
Product Data
- Groove Diameter (G)
:
17.17
mm
(Equiv. 0.676 in.) - Shaft Diameter (S)
19.05
mm
(Equiv. 0.75 in.) - Thickness (t)
1.07
mm
(Equiv. 0.042 in.) - Clip OD in groove (C1) 22.10 mm
- Clip OD Loose (D1) 21.46 mm
- Groove Width (W) 1.17
- Material Stainless Steel Grade PH15-7-17
Product Compliance and Data
Additional Resources
Cross References
- Military 16632-075-SS/B
- Military 16632-075-SS-B
- Waldes 5103-075-SS/B
- Waldes 5103-075-SS-B
- Ellison 9103-075-SS/B
- Ellison 9103-075-SS-B
- NoCor C-075-SS/B
- Rotor Clip C-075-SS/B
- NoCor C-075-SS-B
- Rotor Clip C-075-SS-B
- N1800075SS/B
- N1800-075-SS-B
- N1800-075-SS/B
- N1800075SSB
- 16632075SS/B
- 16632075SSB
- 9103075SS/B
- 9103075SSB
- 5103075SSB
- 5103075SS/B
- C075SS/B
- C075SSB


