
Miniature Bearings Australia
P-H-016-381FF-SB-N-0191U - Datasheet
MBA
Category Information
Pulleys - Inch Timing - 12.700mm Pitch H - 38.1mm Wide - Through BoreThrough Bore 38.1mm Wide 12.700mm Pitch H Inch Timing Pulleys. Timing Pulleys to suit H Series 12.700mm Pitch. Unfinished Bore.
- Timing pulleys combined with timing belts, provide power transmission without slippage.
- Timing pulleys are toothed pulleys used with timing belts to synchronize the movement of different mechanical components, ensuring precise timing and coordination.
- Some uses for timing pulleys include 3D printers, CNC machines, robotics and automation components, textile machinery, office equipment such as scanners and copiers, and medical devices requiring precise movement control.
- Steel and Cast Iron
- No grub screw
- Hub requires drilling and tapping
- Bore requires machining to finished size
Product Data
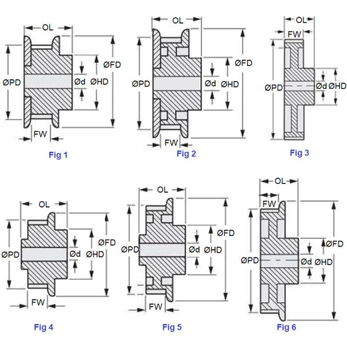
- Number of Teeth : 16
- Max Belt Width (W)
38.10
mm
(Equiv. 1.5 in.) - Bore (d)
19.050
mm
(Equiv. 0.75 in.) - Bore Type Unfinished
- Type 2
- Pitch Dia. (PD) 64.65 mm
- Flange Diameter (FD) 70.6 mm
- Overall Length 63.5 mm
- Hub Diameter (HD) 47.6
- Locking Type None
- Material Steel - Black Oxide
Product Compliance and Data
Additional Resources
Cross References
- Gates 16H150-6FS8
- 6495K95
- 16H1506FS8



