
Miniature Bearings Australia
GM-025-D16-095-C - Datasheet
MBA
Category Information
Gears - Mitre - 16DP Steel16DP Steel Mitre Gears. 1:1 Ratio. 20 Degree Pressure Angle - Unhardened Steel
- An expanded range may be available on special order. Please enquire.
- Mitre gears are used with a matching gear of the same pitch and number of teeth.
- This provides a 1 to 1 ratio on a 90 Degree angle.
- See Gears - Bevel for other ratios.
Product Data
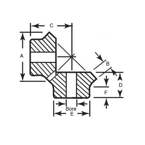
- Number of Teeth : 16
- Pitch Diameter (pd)
25.400
mm
(Equiv. 1 in.) - Bore (d)
9.525
mm
(Equiv. 0.375 in.) - Overall Length (L) 19.177 mm
- Hub Diameter (hd) 19.050 mm
- Each
- Hub Projection (F) 11.176 mm
- Mounting Distance (C) 26.975 mm
- Face Width (B) 5.842 mm
- Material Steel
Product Compliance and Data
Additional Resources
Cross References
- BOSTON L110Y
- GE110
- GE-110


