
Miniature Bearings Australia
GM-016-M1-060-ZD - Datasheet
MBA
Category Information
Gears - Mitre - Module 1 - Zinc DiecastZinc Diecast Module 1 Mitre Gears. 1:1 Ratio. 20 Degree Pressure Angle
- An expanded range may be available on special order. Please enquire.
- Mitre gears are used with a matching gear of the same pitch and number of teeth.
- This provides a 1 to 1 ratio on a 90 Degree angle.
- See Gears - Bevel for other ratios.
Product Data
Deleted Item. Available while stocks last.
Please contact us first if you wish to use this item in a new design so we can check whether production can be resumed.
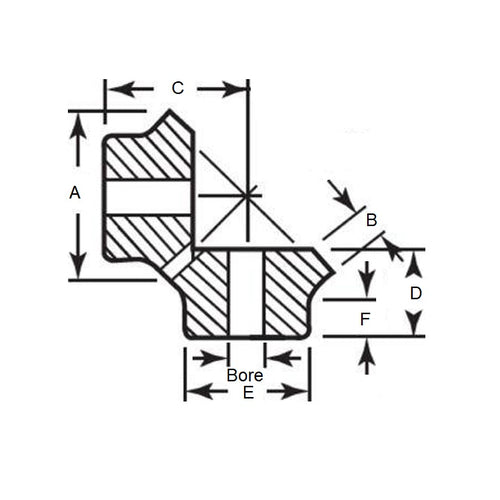
- Number of Teeth : 16
- Pitch Diameter (pd)
16.000
mm
(Equiv. 0.63 in.) - Bore (d)
6.000
mm
(Equiv. 0.236 in.) - Overall Length (L) 13.100 mm
- Hub Diameter (hd) 12.000 / No Set Screw mm
- Each
- Hub Projection (F) 7.50 mm
- Mounting Distance (C) 17.700 mm
- Face Width (B) 4.500 mm
- Material Die Cast Zinc - Commercial
Product Compliance and Data
Additional Resources
Cross References
- Huco 102358507
- A 1D 4MYZ10020
- A1D4MYZ10020


