
Miniature Bearings Australia
WST-60RS - Datasheet
MBA
Category Information
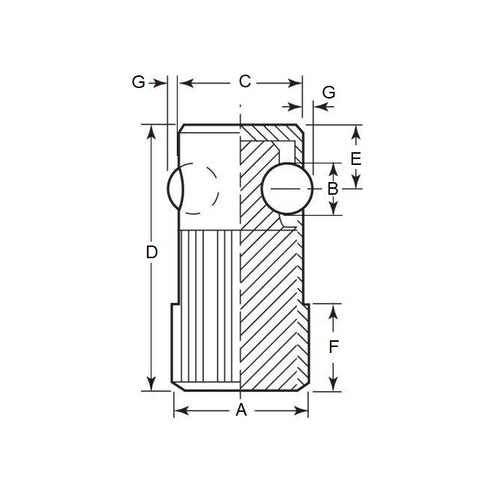
Pins - Side Thrust - Double Sided Steel BallDouble Sided Steel Ball Side Thrust Pins. For holding, clamping and positioning work pieces. Body is black oxide steel.
- Steel ball and elasticised spring with black oxide coated steel body
Product Data
- Knurled Diameter (A)
:
16.002
mm
(Equiv. 0.63 in.) - Ball Diameter (B)
5.588
mm
(Equiv. 0.22 in.) - End Diameter (C)
14.986
mm
(Equiv. 0.59 in.) - D 35.052 mm
- E 7.112 mm
- F 10.922 mm
- G 1.524 mm
- Initial Load Rating 3.67 Kg
- Final Load Rating 19.37 Kg
- Material Steel Ball
Product Compliance and Data
Additional Resources
View full details


