
Miniature Bearings Australia
SLQ-1600-2383-08255-T - Datasheet
MBA
Category Information
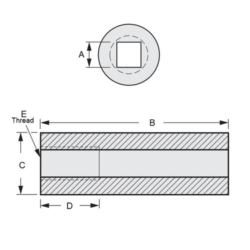
Sleeves - Square Hole - Threaded - Carbon SteelCarbon Steel Threaded Square Hole Sleeves. Square and concentric to 0.076mm (0.003in). Threaded.
- Precisely machined, round outer surface and a uniform, precisely square-shaped hole completely through its center.
Product Data
- Nominal Square Size
:
16.002
mm
+/- 0.0254
(Equiv. 0.63 in.) - Outside Diameter (C)
23.812
mm
(Equiv. 0.937 in.) - Length (B)
82.550
mm
(Equiv. 3.25 in.) - Actual Square Size (A) 15.875 mm
- Thread Depth (D) 25.400 mm
- Thread Size 3/4-16 UNF (19.050mm)
- Material Carbon Steel 11L17
Product Compliance and Data
Additional Resources
Cross References
- SHS62
- SHS-62
- A7C19-T062
- A7C19T062


