
Miniature Bearings Australia
GE-15240-22225-ST-OH-W - Datasheet
MBA
Category Information
Bushings - Spherical - Steel - With Oil Hole and Wiper SealWith Oil Hole and Wiper Seal Steel Spherical Bushings. Steel spherical plain bearings. Also known as ball bushings.
- Compensates for axial loads and misalignment.
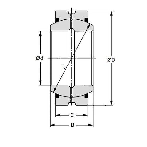
Product Data
- Bore (d1)
:
152.400
mm
(Equiv. 6 in.) - OD (d2)
222.250
mm
(Equiv. 8.75 in.) - Width (B)
120.650
mm
(Equiv. 4.75 in.) - Outer Width (C) 104.78 mm
- Dynamic Load Capacity 217000 kgf
- Static Load Capacity 1300000 kgf
- Features With Wiper Seals / With Oil Hole
- Material Steel
Product Compliance and Data
Additional Resources
Cross References
- Nachi SBB-96-2RS
- IKO SBB96-2RS
- Nachi SBB-96-RS
- IKO SBB96-RS
- SBB962RS
- SBB96RS



