
Miniature Bearings Australia
CFF016-13-042C-R60 - Datasheet
MBA
Category Information
Mounts - Bobbin - FemaleFemale Bobbin Mounts. Vibration dampening
- An expanded range may be available on special order. Please enquire.
- Also see Bumpers
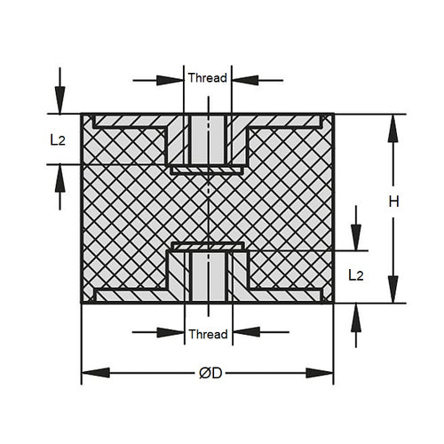
Product Data
- Nom. Body Diameter (D)
:
15.9
mm
(Equiv. 0.626 in.) - Body Height (H)
12.7
mm
(Equiv. 0.5 in.) - Thread Size 8-32 UNC (32 TPI)
- Shore Hardness 60
- Thread Depth (L2) 4.6 mm
- Compression Load 11.2 (25) Kg (lbs)
- Max Shear Load 2.268 Kg (lbs)
- Configuration Female to Female
- Material Natural Rubber
Product Compliance and Data
Additional Resources
Cross References
- VM-87-1
- VM871


