
Miniature Bearings Australia
CLP-159-1083-CZ - Datasheet
MBA
Category Information
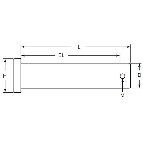
Pins - Clevis - Pin Locking - Zinc PlatedZinc Plated Pin Locking Clevis Pins. Match with a suitable R-Clip or Spilt Pin - pin size shown in listings
- Non-threaded fastener with a head on one end and a hole/groove on the other, used to connect two or more parts in a way that allows for rotation, similar to a bolt, by passing through aligned holes.
- A retaining pin, such as a cotter pin, E-clip or R-clip, is inserted into the hole/groove at the end to keep the clevis pin secured in place.
- In addition to retaining parts on a shaft or axle, clevis pins can also be used as light duty axles, spring holders or even fishing line weights.
- Sinc plated low carbon steel
Product Data
- Nominal Pin Diameter (D)
:
15.88
mm
- 0.10 / - 0.23
(Equiv. 0.625 in.) - Grip Length (EL)
108.34
mm
+ 0.51 / - 0.00
(Equiv. 4.265 in.) - Nom. Length (L)
114.30
mm
+ 0.51 / - 0.00
(Equiv. 4.5 in.) - Ret. Pin Dia. (M) 3.8 mm
- Suitable R-Clip RCL-038-065-Z
- Material Zinc Plated Low Carbon Steel
Product Compliance and Data
Additional Resources
Cross References
- NoCor CLP-0625-4500
- NoCor CLPZ-0625-4500
- NoCor CLPZ-0625-4500/B
- NoCor CLPZ-0625-4500-B
- CLP06254500
- CLP1591083Z
- CLPZ06254500
- CLPZ06254500/B
- CLPZ06254500B


