
Miniature Bearings Australia
JLP-315RS - Datasheet
MBA
Category Information
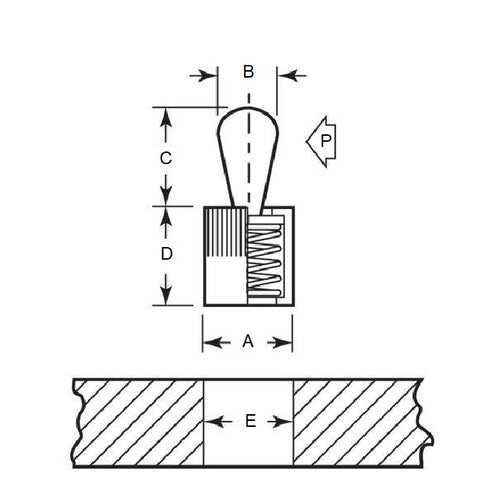
Pins - Locating Spring - Stainless Pin - UnsealedUnsealed Stainless Pin Locating Spring Pins. Aluminium Body. For fixturing small parts in tight areas. Ideal for positioning and chucking flat or round parts for profile clamping.
Product Data
- Diameter (A) 
:
15.88
mm
(Equiv. 0.625 in.) - Pin Diameter (B) 
10.01
mm
(Equiv. 0.394 in.) - Pin Height (C) 
16.61
mm
(Equiv. 0.654 in.) - D 15.88 mm
 - E 15.88 mm + 0.025 / - 0.000
 - P Force 15.88 Kg
 - X 3.40 mm
 - Installation Tool JLP-420
 - Material Stainless Steel
 
Product Compliance and Data
Additional Resources
View full details


