
Miniature Bearings Australia
RR-062 - Datasheet
MBA
Category Information
Retaining Rings - Internal - Spiral Rings - Medium Duty - Carbon SteelCarbon Steel Medium Duty Spiral Rings Internal Retaining Rings. Includes AI / WH / AS3217 / RR / MIL-R-27426B1 - Spring Steel
- An expanded range may be available on special order. Please enquire.
- Popular series that will accommodate light and medium bearing series thrust loads.
- Available in military and aerospace specifications.
- Equivalent to Associated Spring: AI, Smalley: WH, Spirolox and Ramsey: RR, Aerospace AS3217, MIL-R-27426B1
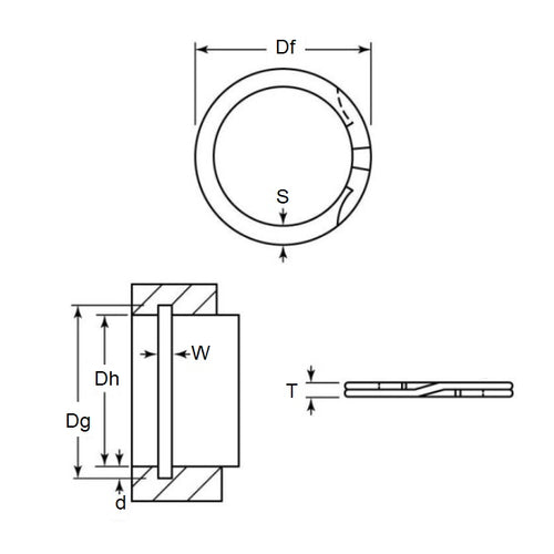
Product Data
- Housing Bore (B)
:
15.88
mm
(Equiv. 0.625 in.) - Clip Thickness (T)
0.64
mm
+/- 0.06
(Equiv. 0.025 in.) - Groove Dia. (Dg)
16.53
mm
(Equiv. 0.651 in.) - Approx. Loose Circlip OD (Dr) 16.58 mm + 0.33 / - 0.00
- Radial Wall (S) Approx. 1.14 mm +/- 0.10
- Groove Width (W) 0.80 mm +/- 0.05
- Approx. Loose Clip ID 14.3 +/- 0.04
- Groove Depth (d) 0.33
- Material Carbon Spring Steel
Product Compliance and Data
Additional Resources
Cross References
- 92602A120
- Associated Spring AI-062
- Smalley RR-062
- Spirolox RR-062
- Smalley WH-062
- Spirolox WH-062
- RR062
- WH062
- AI062


