
Miniature Bearings Australia
GE-01588-02699-ST-OH - Datasheet
MBA
Category Information
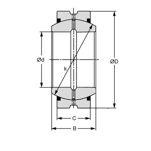
Bushings - Spherical - Steel - With Oil HoleWith Oil Hole Steel Spherical Bushings. Steel spherical plain bearings. Also known as ball bushings.
- Compensates for axial loads and misalignment.
Product Data
- Bore (d1)
:
15.880
mm
(Equiv. 0.625 in.) - OD (d2)
26.990
mm
(Equiv. 1.063 in.) - Width (B)
13.890
mm
(Equiv. 0.547 in.) - Outer Width (C) 11.91 mm
- Dynamic Load Capacity 2740 kgf
- Static Load Capacity 16400 kgf
- Features No Wiper Seals / With Oil Hole
- Material Steel
Product Compliance and Data
Additional Resources
Cross References
- IKO SBB10
- Nachi SBB-10



