
Miniature Bearings Australia
LCHP-0159-049-TSS - Datasheet
MBA
Category Information
Linear - Thomson Super Smart Housings - Pillow Block ClosedPillow Block Closed Thomson Super Smart Housings Linear. Includes Bearings.
- Universally self-aligning bearing offers twice the load capacity or 8 times the travel life of our industry standard Super Ball Bushing® bearing. Standard single or twin pillow block.
Product Data
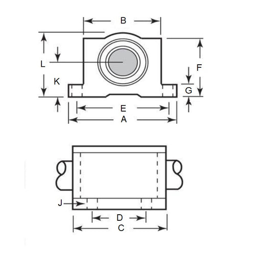
- Nominal Diameter
:
15.88
mm
(Equiv. 0.625 in.) - Widths (A x A2)
63.500 x 44.450
mm
(Equiv. 2.5 in.) - Length (B)
49.28
mm
(Equiv. 1.94 in.) - Bolt Distances (E x E1) 28.575 x 53.975 mm
- Height (H x H1) 22.225 x 41.402 mm
- Flange Height (F1) 7.11 mm
- Lube Hole Distance (G1 x G) 22.352 x 21.082 mm
- Bolt Dia. 4.83 mm
- Weight 0.23 Kg
- Dynamic Load Capacity 277 kgf
Product Compliance and Data
Additional Resources
Cross References
- QBC TSS6UPB-10
- TLM955
- TSS6UPB10
- TLM-955


