
Miniature Bearings Australia
COH-01588-038-10-2P-S3 - Datasheet
MBA
Category Information
Collars - Hex Bore - Two Piece - 303 Stainless Steel303 Stainless Steel Two Piece Hex Bore Collars. This is the main category in this series
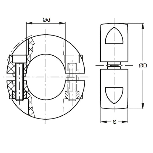
- Simple, ring-shaped component, typically made of metal or plastic, that fastens around a hex shaped shaft to hold other parts in place or to act as a mechanical stop.
- Essential in power transmission applications for securing items like bearings, sprockets, and gear assemblies.
Product Data
- Suitable Shaft Size (d)
:
15.875
mm
(Equiv. 0.625 in.) - Outside Diameter (D)
38.10
mm
(Equiv. 1.5 in.) - Overall Width (S)
10.3
mm
(Equiv. 0.406 in.) - Screw Size 10-32 UNF
- Material Stainless Steel 303/304 (Similar to A2, 18-8) HRB80
Product Compliance and Data
Additional Resources
Cross References
- CTC-654
- CTC654


