
Miniature Bearings Australia
BP0159-0222-0222-BSHH - Datasheet
MBA
Category Information
Bushes - Unflanged - Bronze - SinteredSintered Bronze Unflanged Bushes. Oil impregnated sintered bronze bushes.
- An expanded range may be available on special order. Please enquire.
- Precision items show an allowable Load Speed Rating in Newtons times RPM.
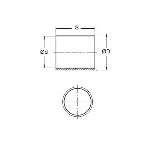
Product Data
- Nominal Inside Diameter (d)
:
15.875
mm
+ 0.051 / + 0.076
(Equiv. 0.625 in.) - Nominal Outside Diameter (D)
22.225
mm
+ 0.051 / + 0.076
(Equiv. 0.875 in.) - Length (s)
22.225
mm
+/- 0.127
(Equiv. 0.875 in.) - Material Bronze SAE 841 Sintered
Product Compliance and Data
Additional Resources
- DU Bush Material Information
- General Bushes Catalogue
- Sintered Bronze Products Catalogue
- Solid Bronze Bushes catalogue
Cross References
- Shorlube C2028-4
- Symmco SS-2028-14
- BP015902220222BS
- A7B4-SP202807
- A7B4SP202807
- SS202814
- C20284


