
Miniature Bearings Australia
BP0159-0191-0254-BSTH - Datasheet
MBA
Category Information
Bushes - Unflanged - Bronze - SinteredSintered Bronze Unflanged Bushes. Oil impregnated sintered bronze bushes.
- An expanded range may be available on special order. Please enquire.
- Precision items show an allowable Load Speed Rating in Newtons times RPM.
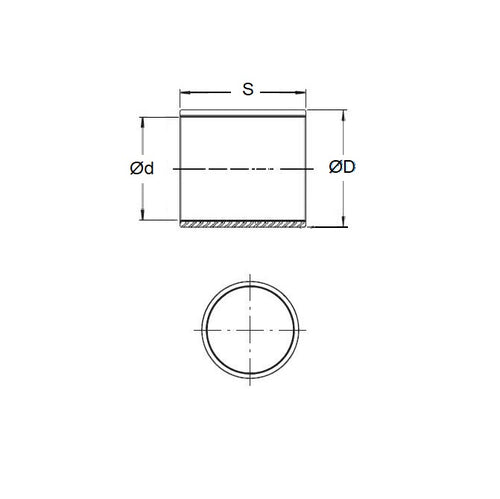
Product Data
- Nominal Inside Diameter (d)
:
15.875
mm
+ 0.025 / + 0.051
(Equiv. 0.625 in.) - Nominal Outside Diameter (D)
19.050
mm
+ 0.051 / + 0.076
(Equiv. 0.75 in.) - Length (s)
25.400
mm
+/- 0.127
(Equiv. 1 in.) - Material Bronze SAE 841 Sintered
Product Compliance and Data
Additional Resources
- DU Bush Material Information
- General Bushes Catalogue
- Sintered Bronze Products Catalogue
- Solid Bronze Bushes catalogue
Cross References
- 6391K243
- Oilite AA-710-3
- Oilite AA710-3
- Oilite AP710-3
- Bunting B-1012-8
- Bunting EP101216
- Daemar P-62-8
- Small Parts SBB-10-16
- P628
- BNT-163
- BNT163
- BP015901910254BS-SH
- BP015901910254BSSH
- A7B4-L2032
- A7B4L2032
- B10128
- QT174-5
- QT1745
- SBB1016
- AA7103
- AP7103


