
Miniature Bearings Australia
BP0159-0191-0191-BSTH - Datasheet
MBA
Category Information
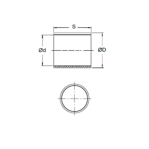
Bushes - Unflanged - Bronze - SinteredSintered Bronze Unflanged Bushes. Oil impregnated sintered bronze bushes.
- An expanded range may be available on special order. Please enquire.
- Precision items show an allowable Load Speed Rating in Newtons times RPM.
Product Data
- Nominal Inside Diameter (d)
:
15.875
mm
+ 0.025 / + 0.051
(Equiv. 0.625 in.) - Nominal Outside Diameter (D)
19.050
mm
+ 0.051 / + 0.076
(Equiv. 0.75 in.) - Length (s)
19.050
mm
+/- 0.127
(Equiv. 0.75 in.) - Material Bronze SAE 841 Sintered
Product Compliance and Data
Additional Resources
- DU Bush Material Information
- General Bushes Catalogue
- Sintered Bronze Products Catalogue
- Solid Bronze Bushes catalogue
Cross References
- 6391K247
- Oilite AA-710-6
- Oilite AA710-6
- Oilite AP710-6
- Bunting B-1012-6
- Bunting EP101212
- Daemar P-62-6
- P626
- BNT-161
- BNT161
- BP015901910191BSSH
- BP015901910191BS-SH
- B10126
- QT174-3
- QT1743
- AA7106
- AP7106


