
Miniature Bearings Australia
BF0159-0191-0160-BS2516TH - Datasheet
MBA
Category Information
Bushes - Flanged - Bronze - SinteredSintered Bronze Flanged Bushes. Oil impregnated flanged sintered bronze bushes.
- An expanded range may be available on special order. Please enquire.
- Precision items show an allowable Load Speed Rating in Newtons times RPM.
Product Data
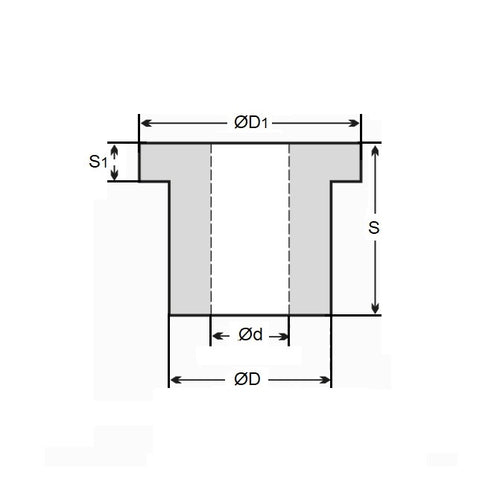
- Nominal Inside Diameter (d)
:
15.875
mm
+ 0.025 / + 0.051
(Equiv. 0.625 in.) - Nominal Outside Diameter (D)
19.050
mm
+ 0.063 / + 0.089
(Equiv. 0.75 in.) - Length (s)
16.002
mm
+/- 0.127
(Equiv. 0.63 in.) - Flange OD (D1) 25.17 mm
- Flange Thickness (S1) 1.60 mm
- Material Bronze SAE 841 Sintered
Product Compliance and Data
Additional Resources
- DU Bush Material Information
- General Bushes Catalogue
- Sintered Bronze Products Catalogue
- Solid Bronze Bushes catalogue
Cross References
- BF015901910160BS
- BF015901910160BSTH
- A7B4F082
- A7B4-F082


