
Miniature Bearings Australia
GHK1588-1588-089 - Datasheet
ExaktKey
Category Information
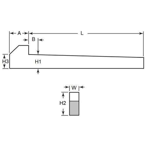
Keys - Gib Head - SteelSteel Gib Head Keys. Tapered 3.000 mm per 300 mm (1:100)
- An expanded range may be available on special order. Please enquire.
 
Product Data
- Nominal Key Height (H1) 
:
15.875
mm
(Equiv. 0.625 in.) - Width (W) 
15.875
mm
(Equiv. 0.625 in.) - Length (L) 
88.9
mm
(Equiv. 3.5 in.) - Approx (B) 12.7
 - Material Cold Finished Steel
 
Product Compliance and Data
Additional Resources
Cross References
- 98471A319
 - NoCor GIB-0625-3500
 - GIB06253500
 


