
Miniature Bearings Australia
REF-159-R-CN - Datasheet
MBA
Category Information
Rod Ends - Female - Steel - Plain - Nylon RacewayNylon Raceway Plain Steel Female Rod Ends. Also known as Heim Joints
- An expanded range may be available on special order. Please enquire.
Product Data
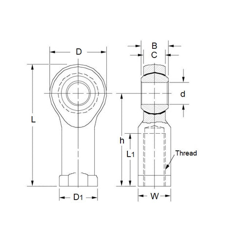
- Eye Size (d1)
:
15.875
mm
(Equiv. 0.625 in.) - Overall Length (L)
82.55
mm
(Equiv. 3.25 in.) - Thread Size 5/8-18 UNF Right
- Thread Length (l2) 38.10 mm
- Head Width (W) 14.28 mm
- Eye Width (W1) 19.05 mm
- Head Diameter (D) 38.10 mm
- Centre Height (l1) 63.50 mm
- Body Width/Flange Width(W2/D3) 22.23 / 25.40 mm
- Material Steel with Nylon Raceway
Product Compliance and Data
Additional Resources
Cross References
- SPF10
- SPF-10



