
Miniature Bearings Australia
RPO-158-159-C - Datasheet
MBA
Category Information
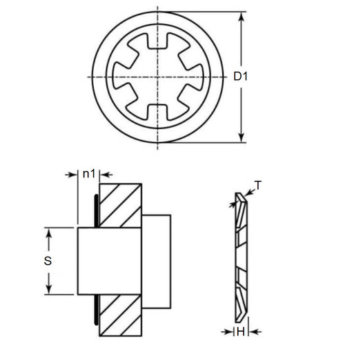
Retaining Rings - Push On - Carbon SteelCarbon Steel Push On Retaining Rings. M1465 / DTX / Seeger ZA and KS.
- An expanded range may be available on special order. Please enquire.
- Thrust load shown is calculated for ideal conditions with mild steel shaft.
- If no thrust load is shown, testing is suggested.
Product Data
- Min shaft size (s1)
:
15.82
mm
(Equiv. 0.623 in.) - Max Shaft Size (s2)
15.93
mm
(Equiv. 0.627 in.) - Outside diameter (D1)
22.23
mm
(Equiv. 0.875 in.) - Min shaft extension (n1) 1.52 mm
- Material Thickness (t) 1.52 mm
- Material Carbon Steel
Product Compliance and Data
Additional Resources
Cross References
- Waldes 5105-062
- IRR 6100-062
- 98430A140
- NoCor TY-062
- Rotor Clip TY-062
- TY062
- 6100062
- 5105062


