
Miniature Bearings Australia
CC-157-175-SS - Datasheet
MBA
Category Information
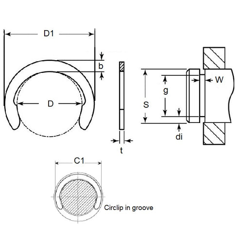
Retaining Rings - CrescentCrescent Retaining Rings. Variation of an E-Clip with an open face. Also known as a C-Clip.
- Narrow section height provides good clearance capabilities.
- Absence of teeth and deep set mean less thrust load ratings than e-clips.
- For best results install using the recommended applicator tool.
Product Data
- Groove Diameter (G)
:
15.72
mm
(Equiv. 0.619 in.) - Shaft Diameter (S)
17.48
mm
(Equiv. 0.688 in.) - Thickness (t)
1.07
mm
(Equiv. 0.042 in.) - Clip OD in groove (C1) 20.32 mm
- Clip OD Loose (D1) 19.91 mm
- Groove Width (W) 1.17
- Material Stainless Steel Grade PH15-7-17
Product Compliance and Data
Additional Resources
Cross References
- Military 16632-068-SS/B
- Military 16632-068-SS-B
- Waldes 5103-068-SS/B
- Waldes 5103-068-SS-B
- Ellison 9103-068-SS/B
- Ellison 9103-068-SS-B
- NoCor C-068-SS/B
- Rotor Clip C-068-SS/B
- NoCor C-068-SS-B
- Rotor Clip C-068-SS-B
- N1800068SSB
- N1800-068-SS-B
- N1800068SS/B
- N1800-068-SS/B
- 16632068SSB
- 16632068SS/B
- 9103068SS/B
- 9103068SSB
- 5103068SS/B
- 5103068SSB
- C068SSB
- C068SS/B


