
Miniature Bearings Australia
GE-01400-03400-ST - Datasheet
MBA
Category Information
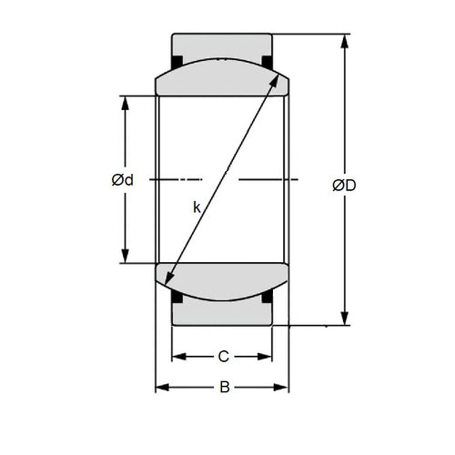
Bushings - Spherical - Steel - No Oil HoleNo Oil Hole Steel Spherical Bushings. Steel spherical plain bearings. Also known as ball bushings.
- Self-aligning bearing that has spherical inner and outer rings, allowing it to handle both large radial and axial loads simultaneously.
- Used in applications with slow swinging movements or where misalignment must be compensated for, such as in control linkages, suspension components, and industrial machinery.
- Designed to reduce vibration and noise by allowing articulating motion in a fixed directional load.
- Compensates for axial loads and misalignment.
Product Data
- Bore (d1)
:
14.000
mm
(Equiv. 0.551 in.) - OD (d2)
34.000
mm
(Equiv. 1.339 in.) - Width (B)
19.000
mm
(Equiv. 0.748 in.) - Outer Width (C) 13.50 mm
- Dynamic Load Capacity 1710 kgf
- Static Load Capacity 4110 kgf
- Features No Wiper Seals / No Oil Hole
- Material Steel
Product Compliance and Data
Additional Resources
Cross References
- 2995K35
- IKO PB14
- Nachi PB-14


