
Miniature Bearings Australia
SUG-525RS - Datasheet
MBA
Category Information
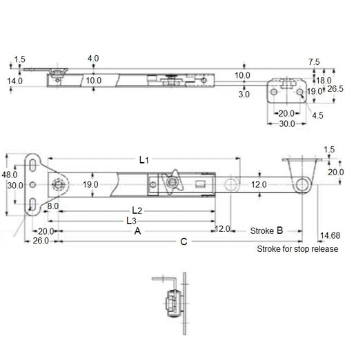
Lid Stay - Stainless SteelStainless Steel Lid Stay. 15kg load capacity. Holds lid in fully opened position. Lift up to release.
Product Data
- Length 1 (L1)
:
148.03
mm
(Equiv. 5.828 in.) - Length 2 (L2)
120.98
mm
(Equiv. 4.763 in.) - Length 3 (L3)
128.98
mm
(Equiv. 5.078 in.) - A 132.95 mm
- Stroke (B) 61.98 mm
- C 194.87 mm
- Door Height 9.84 to 13.78 mm
Product Compliance and Data
Additional Resources


