
Miniature Bearings Australia
GE-14000-23000-ST-OH - Datasheet
MBA
Category Information
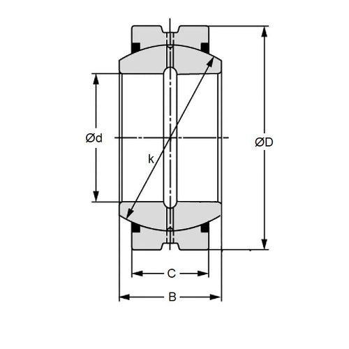
Bushings - Spherical - Steel - With Oil HoleWith Oil Hole Steel Spherical Bushings. Steel spherical plain bearings. Also known as ball bushings.
- Compensates for axial loads and misalignment.
Product Data
- Bore (d1)
:
140.000
mm
(Equiv. 5.512 in.) - OD (d2)
230.000
mm
(Equiv. 9.055 in.) - Width (B)
130.000
mm
(Equiv. 5.118 in.) - Outer Width (C) 80.00 mm
- Dynamic Load Capacity 160000 kgf
- Static Load Capacity 960000 kgf
- Features No Wiper Seals / With Oil Hole
- Material Steel
Product Compliance and Data
Additional Resources
Cross References
- IKO GE140GS
- Nachi GE-140GS



