
Miniature Bearings Australia
GE-14000-21000-ST-OH - Datasheet
MBA
Category Information
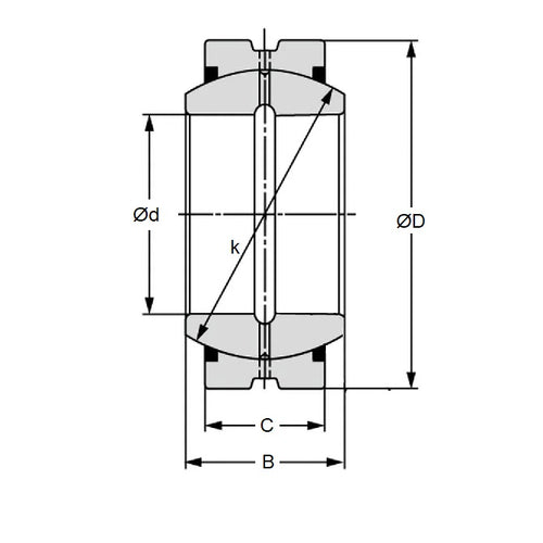
Bushings - Spherical - Steel - With Oil HoleWith Oil Hole Steel Spherical Bushings. Steel spherical plain bearings. Also known as ball bushings.
- Compensates for axial loads and misalignment.
Product Data
- Bore (d1)
:
140.000
mm
(Equiv. 5.512 in.) - OD (d2)
210.000
mm
(Equiv. 8.268 in.) - Width (B)
90.000
mm
(Equiv. 3.543 in.) - Outer Width (C) 70.00 mm
- Dynamic Load Capacity 126000 kgf
- Static Load Capacity 756000 kgf
- Features No Wiper Seals / With Oil Hole
- Material Steel
Product Compliance and Data
Additional Resources
Cross References
- IKO GE140ES
- Nachi GE-140ES



