
Miniature Bearings Australia
REF-140-L-CT-F - Datasheet
MBA
Category Information
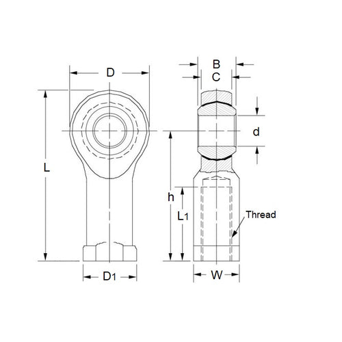
Rod Ends - Female - Steel - Plain - PTFE Lined - Tempered SteelTempered Steel PTFE Lined Plain Steel Female Rod Ends. Imperial and Metric. Forged tempered steel. Rolled thread. Surface galvanised. Also known as Heim Joints. Nylon - ptfe - glass compound race.
- An expanded range may be available on special order. Please enquire.
- Dimensions not shown are available on request.
Product Data
- Eye Size (d1)
:
14
mm
(Equiv. 0.551 in.) - Overall Length (L)
75.000
mm
(Equiv. 2.953 in.) - Thread Size M14x1.5 Left
- Thread Length (l2) 25.00 mm
- Head Width (W) 13.50 mm
- Eye Width (W1) 19.00 mm
- Centre Height (l1) 57.00 mm
- Grease Nipple No
- Body Width/Flange Width(W2/D3) 22.00 / 25.00 mm
- Material Tempered Steel with PTFE
Product Compliance and Data
Additional Resources
Cross References
- Misumi® E-GZNL14A
- EGZNL14A


